Leafony バス
Leafony バスとは、複数のリーフ間を相互に接続する共通経路部の名称です。電気信号および電源接続を行うための電気的および物理的な仕様(20mm x 5.5mm)が定義されています。
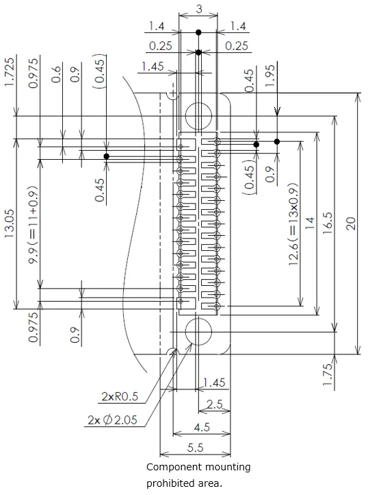
20mmx5.5mmの基板外形寸法
Section titled “20mmx5.5mmの基板外形寸法”基板は、厚さt=0.8で、パッド部分は、金めっきです。基板レイアウトのデータは、AX02 29pin を参照して下さい。

Leafony バスとは、複数のリーフ間を相互に接続する共通経路部の名称です。電気信号および電源接続を行うための電気的および物理的な仕様(20mm x 5.5mm)が定義されています。
基板は、厚さt=0.8で、パッド部分は、金めっきです。基板レイアウトのデータは、AX02 29pin を参照して下さい。
