体重計
このサンプルはWeb BLEを使ったIoTアプリ入門で紹介したものと歪センサーを組み合わせたものです。BLEを使って体重をスマートフォンやパソコンに表示する事ができます。
※本ウェブサイトに記載している会社名、商品名は、各社の商標または登録商標です。
用意するもの
Section titled “用意するもの”- AVR MCU、BLE Sugar、29pin、CR2032、USB
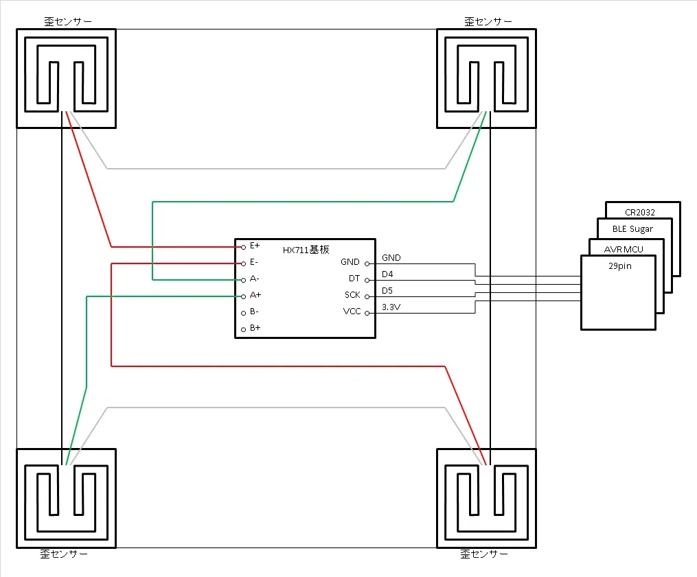
- 歪センサー(3線式で50kg/個程度測定できるもの)x4個
- HX711基板(ライブラリHX711_ADCが必要です)
- Windows1、 Mac2、 Linux3いずれかのPC、Android4、 iPhone5、 iPad5のスマートフォンまたはタブレット
- Google Chrome (バージョン70.0.3526.0以降)
- Arduino IDE
サンプルアプリのソースコード
Section titled “サンプルアプリのソースコード”あらかじめどちらもダウンロードしてください。
Leafonyの構成
Section titled “Leafonyの構成”このサンプルでは下記のリーフ構成で試せます。
| Type | Name | Q’ty |
|---|---|---|
| AZ62 | Connector Cover | 1 |
| AX02 | 29pin | 1 |
| AP01 | AVR MCU | 1 |
| AC02 | BLE Sugar | 1 |
| AZ01 | USB | 1 |
| AV01 | CR2032 | 1 |
| - | CR2032 coin cell battery | 1 |
| - | M2*18mm screw | 2 |

- ライブラリHX711_ADCをダウンロードしてインストールします
- Arduino IDEのスケッチ例からCalibration.ino開き実行しキャリブレーションします
- キャリブレーションした値を記録しておき、Arduino IDEでBathroomScales_BLE.inoを開きます
- 値録したキャリブレーション値を128行のnewCalibrationValueに設定し書き込みます
- 体重計の上には何も置かずに起動します
- ダウンロードしたWeb BLE アプリの
index.htmlをGoogle Chromeで開きます
Webアプリの使い方の詳細はBasic Kit クイックスタートガイドを参考にしてください